
Далеко не все это знают, но в программе nanoCAD BIM Строительство можно проектировать деревянные конструкции. Ниже мы наглядно покажем, где в программе находятся необходимые для этого инструменты, а также как быстро и легко их освоить.
При первом взгляде на интерфейс (рис. 1) мы видим средства работы с железобетонными и металлическими конструкциями. А что же деревянные конструкции?

Основные операции с древесиной происходят в разделе Металлические конструкции (конфигурация «Конструкции»), поскольку данный материал имеет схожую специфику работы. Кроме того, могут использоваться другие разделы данной конфигурации, которые отвечают за работу внутри модели, формирование проектных документов, работу с объектами для проектирования бетонных конструкций, создание параметрических объектов.
Зададим деревянную балку. Для этого заходим в Создание металлической балки раздела Металлические конструкции и выбираем сортамент проката Изделия деревянные (рис. 2, 3).


Далее производим выбор типа представления древесины (бревно, брус, брусок или доска (рис. 4), представленные в виде профилей).

Теперь выберем размер. Для построения примера понадобится бревно диаметром 220 (рис. 5) по ГОСТ 2695-83. Задаем ему соответствующий материал (рис. 6).


Выбор материала осуществляется в соответствующей библиотеке (рис. 7), где есть возможность воспользоваться готовым вариантом либо создать свой собственный. Новый материал можно формировать с нуля или на основе существующих. Вся необходимая информация по тематике деревянных конструкций располагается в классе Древесина.

Чтобы создать новый материал, следует нажать знак «плюс» , расположенный в верхней части окна. Появится окно Добавление нового материала (рис. 8), содержащее несколько настроек:
- Класс материала – тип группы, к которой будет принадлежать материал. Назначение класса удобно для последующей фильтрации в библиотеке материалов.
- Код материала – это его ID. Задавать код лучше всего исходя из заранее указанной нумерации.
- Имя материала – наименование, отображаемое в списке материалов.
- Параметры материала предполагают два варианта: Параметры по умолчанию и Копия материала. Копия выбирается в зависимости от активного материала. Например, в случае, показанном на рис. 7, будут скопированы параметры материала Сосна обыкновенная, поскольку материал является активным. Впоследствии параметры можно редактировать.

На рис. 9 указаны конечные значения для заданной балки.

В окне создания балки можно настроить ее профиль по различным параметрам:
- Преднастройки – сохранить преднастройки профиля по текущим значениям. Для сохранения необходимо ввести По умолчанию в поле Преднастройки и нажать кнопку Сохранить, расположенную справа от этого поля.
- Базовый уровень – привязка балки к созданным уровням.
- Базовая сетка осей – привязка балки к сетке осей.
- Ориентация и наклон – три варианта на выбор: прямой, с углом, с высотой.
- Точка привязки профиля – точка, от которой будет выполняться построение балки.
- Смещение от оси по вертикали и по горизонтали, угол поворота.
- Деформация – выгиб по X и выгиб по Y.
- Материал – материал, присваиваемый объекту. Как уже сказано, библиотека материалов представлена на рис. 7.
- Расчетная модель – вид представления объекта.
- Создать по объекту – способ создания объекта по примитиву.
Покажем на примере, как строятся простейшие стены с использованием брусьев. На предварительно заданные оси поставим два бревна, одно из которых будет на 110 мм выше базовой точки (рис. 10).


Как видим, брусья проходят друг через друга (рис. 11), а не лежат друг на друге. Чтобы получить выемки под будущие брусья, можно воспользоваться функцией Динамические булевы операции (рис. 12). Этот инструмент позволяет ассоциировать объекты между собой для создания сложной геометрии. Примером такой геометрии может служить подрезка стен под кровлю. В данном случае применим операцию Подрезка (рис. 13).


При помощи функции Массив (рис. 14), которая позволяет несколько раз скопировать элемент, уточняем количество брусьев и точки привязки (вписывание или шаг), создаем из брусьев стены (рис. 15). Вызвать функцию массива можно при помощи команды Копировать (CTRL+SHIFT+D): открыть контекстное меню нажатием правой кнопки мыши и выбрать строку Массив.


В дальнейшем применяем функцию Подрезка так же, как в первом случае, показанном на рис. 12-13. Результат этих действий – готовые стены из брусьев (рис. 16).

Подобным образом можно настроить примыкание различных частей из древесины и других материалов друг к другу.
Следующим шагом построим простейшую деревянную ферму. Это можно сделать вручную при помощи колонн и балок или же по заранее подготовленному эскизу из примитивов (рис. 17).

При помощи функции Создать по объекту (рис. 18) зададим пояса и раскосы фермы с использованием балки из бруса 100×100 мм (рис. 19), а стойки фермы – с применением колонны из бруса 100×100 мм (рис. 20).



Следует выполнить подрезку стоек и раскосов. Для этого вы можете воспользоваться готовой базой узлов для деревянных конструкций, а также некоторыми вариантами узлов для конструкций металлических. Открыть базу можно в библиотеке (раздел «Объекты»), а выбрать нужную категорию – в списке или по результатам поиска с помощью Фильтра (рис. 21). В базе представлены типовые узлы деревянных конструкций, Альбом ТСК-СК-1-1 и Серия 1.169.5-КР-1. При необходимости узлы можно создавать самостоятельно и добавлять их в базу для последующего использования.

Подрезка двух элементов фермы при помощи узла из базы показана на рис. 22.

Воспользуемся Динамическими булевыми операциями для подрезки стойки (рис. 23) и применим их по всей длине фермы (рис. 24). При изменении размеров (например, высоты) фермы профили будут автоматически подрезаться.
Выполнив эту операцию, можно сделать металлические накладки или использовать болтовые соединения, которые также будут взаимодействовать с древесиной. Все зависит от необходимой степени детализации объекта.


Помимо применения динамических булевых операций, можно воспользоваться Обрезкой профиля плоскостью – эта функция располагается в разделе Металлические конструкции (рис. 25).

Ферму можно собрать как конструктивную сборку или объект, который будет использоваться в одном или нескольких проектах. Объект можно передавать другим пользователям для дальнейшей работы.
Чтобы создать чертеж фермы, можно воспользоваться несколькими способами: через раздел Документирование или сочетание использования функциональной панели Диспетчер проекта и раздела Документирование.
Находим Планы поэтажные и, нажав правую кнопку мыши, добавляем вид (рис. 26). При выборе этой опции появляется окно Сохранение вида (рис. 27), в котором происходит настройка параметров вида. Идентификация вида отвечает за его наименование и раздел, в который вид будет помещен.


Полученный вид можно разместить на листе, щелкнув по виду правой кнопкой мыши и выбрав команду Выложить вид на лист (рис. 28). При выкладке в разделе Листы будут показаны все виды, которые лежат на том или ином листе. Настройка спецификаций выполняется аналогично настройке спецификаций для металлоконструкций.

Выкладывая вид на лист, можно применить Мастер простановки размеров. После доработки вид будет выглядеть так, как показано на рис. 29.

Также в числе полезных инструментов, используемых при проектировании деревянных конструкций, следует назвать функцию Создать модификатор проката (рис. 30), посредством которой производится добавление отверстий.

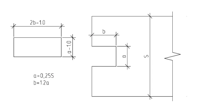
Например, эта функция понадобится в процессе создания соединений деревянных конструкций. Рассмотрим тип продольного соединения на шпонках, для которого необходимо соблюдать правила, приведенные на рис. 31.

Как создать подобный вырез в профиле без дополнительных расчетов? Задаем обычную балку из бруса 100×100 мм, выбираем Создать модификатор проката (см. рис. 30) и указываем местоположение на балке (рис. 32).

Выделяем полученную балку, выбираем Редактор модификатора проката. Появляется окно состава модификатора, с которым мы будем работать. Изначально оно пусто. Чтобы добавить элемент, щелкаем правой кнопкой мыши по Составу и выбираем 3D-примитив → Параллелепипед (рис. 33).

При выборе этого объекта он автоматически принимает размеры 100×100×100 мм и добавляется к текущей балке. Чтобы вычесть объект, следует нажать на знак «минус» в окне редактора модификатора. Полученный куб и его параметры показаны на рис. 34.

Теперь необходимо указать корректные параметры согласно рис. 31. Для этого привяжем геометрию и базовую точку параллелепипеда к размерам балки. Чтобы выбрать, к чему именно следует выполнить привязку, откроем параметры балки. На рис. 35 мы видим размеры бруса, которые указываются в параметрах сечения: Ширина профиля (STEEL_PROF_WIDTH) и Высота профиля (STEEL_PROF_HEIGHT). В нашем случае несущественно, какой из параметров мы выберем, поскольку они равны. Чтобы увидеть второе наименование параметра, следует повторно нажать на знак в свойствах элемента.

Чтобы параметры балки привязались в модификаторе к параллелепипеду, выбираем значок рядом с любым из необходимых параметров (рис. 36) и открываем Мастер функций.

В появившимся окне можно вписывать известные формулы или задавать параметры. Чтобы выбрать любой из них, необходимо задать Запрос к структуре элемента (рис. 37) и выбрать подходящее свойство. В таком случае будут представлены не только сам параметр, но и указание к параметру внутри элемента.

В Мастере функций каждого из параметров необходимо записать следующие формулы в зависимости от параметра, указанного на рис. 31:
Ширина: child.[STEEL_PROF_WIDTH]
Длина: child.[STEEL_PROF_WIDTH]*0.25
Высота: child.[STEEL_PROF_WIDTH]*0.25*1.2
И координаты для базовой точки:
X: (child.[STEEL_PROF_WIDTH])*0.25/2*(-1)
Y: (child.[STEEL_PROF_HEIGHT]/2)*(-1)
Полученный результат продемонстрирован на рис. 38, модификатор выполняет функцию выреза. В дальнейшем его можно скопировать на другие балки.

При изменении размера профиля со 100×100 на 200×200 мм модификатор автоматически подстроится под полученные параметры (рис. 39).

Еще одна функция, которая может быть использована в работе с деревянными конструкциями, это Болтовое соединение (рис. 40).

При вызове этой функции открывается окно (рис. 41) для задания болтового соединения. В нем две вкладки: Геометрия и расположение, Прочие свойства.
Вкладка Геометрия и расположение содержит три раздела: Параметры болта, Расположение группы, Параметры отверстия.
В разделе Параметры болта можно настроить ГОСТ болта, его диаметр, тип, наличие гаек и шайб, а также дополнительную длину болта. В разделе Расположение группы – выбрать тип раскладки болтов (шахматный или круговой), количество строк и столбцов, расстояние между строками и столбцами.
В разделе Параметры отверстия настраиваются тип элемента, тип отверстия, допуски, длина и увеличение отверстия.
В Прочих свойствах указываются геометрия болта, параметры массива, а также свойства изделия, строительной сборки, классификации в целом и по IFC.
Можно сохранить преднастройки по итогам работы с тем или иным болтовым соединением.

Выбираем в окне требующиеся параметры, нажимаем Создать, появляется динамический ввод «Выберите элемент, к которому будет осуществляться крепление» (рис. 42). Далее понадобится выбрать прикрепляемый элемент (рис. 43) и, при необходимости, – промежуточные элементы проката в пакете соединения (рис. 44).



После выбора объектов для создания болтового соединения задается размещение соединения – указанием базовой точки (рис. 45), ориентации и поворота (рис. 46). Затем указывается положение вдоль осей Ox и Oy (рис. 47, 48).




При вводе всех вышеуказанных данных программа может выдать запрос (рис. 49) о перестройке ассоциативной связи между объектами, смене главного и подчиненного элементов.

По итогам создания болтового соединения будет получен вид, представленный на рис. 50.

Мы рассмотрели основные инструменты, которые могут использоваться при моделировании деревянных конструкций в программе nanoCAD BIM Строительство. Рассказали, где располагаются элементы таких конструкций и готовые решения; как создать и использовать модификатор проката у деревянных элементов; каким образом применить болтовое соединение к конструкциям из дерева, а также осуществлять взаимодействие с Диспетчером проекта.


